520nm FP Fiber Birləşdirilmiş Diod Yaşıl BTF Lazer
  • 520nm FP Fiber Birləşdirilmiş Diod Yaşıl BTF Lazer 520nm FP Fiber Birləşdirilmiş Diod Yaşıl BTF Lazer
  • 520nm FP Fiber Birləşdirilmiş Diod Yaşıl BTF Lazer 520nm FP Fiber Birləşdirilmiş Diod Yaşıl BTF Lazer
  • 520nm FP Fiber Birləşdirilmiş Diod Yaşıl BTF Lazer 520nm FP Fiber Birləşdirilmiş Diod Yaşıl BTF Lazer
  • 520nm FP Fiber Birləşdirilmiş Diod Yaşıl BTF Lazer 520nm FP Fiber Birləşdirilmiş Diod Yaşıl BTF Lazer

520nm FP Fiber Birləşdirilmiş Diod Yaşıl BTF Lazer

520nm FP Fiber Coupled Diode Green BTF Lazer 14 PIN diod quruluşunu qəbul edir və davamlı dalğa (CW) rejimində sabit işləyə bilər. Bu, 30 mVt çıxış gücünə malik yüksək performanslı lazer cihazıdır. Optik alət və işıq mənbəyi üçün uyğundur.

Sorğu göndərin

Məhsul təsviri

520nm FP Fiber Coupled Diode Green BTF Lazer 14 PIN diod quruluşunu qəbul edir və davamlı dalğa (CW) rejimində sabit işləyə bilər. Bu, 30 mVt çıxış gücünə malik yüksək performanslı lazer cihazıdır. Optik alət və işıq mənbəyi üçün uyğundur.


520nm FP Fiber Coupled Diode Green BTF Lazerinin xüsusiyyətləri

14PIN Butterfly paketi;

Daxili termistor və TEC;

Fiber növü SM-460HP və ya PM-S460-HP lifi ola bilər;

İşləmə temperaturu: -10~+60℃.


520nm FP Fiber Coupled Diode Green BTF Lazer tətbiqləri

Optik alət;

İşıq mənbəyi.


Elektro-Optik Xüsusiyyətlər (T=25℃):

Parametr Simvol Vəziyyət Min. Tip. Maks. Vahid
Mərkəzi dalğa uzunluğu λc CW, 25℃ 515 520 530 nm
Optik çıxış gücü PF - 30 - - mVt
Eşik cərəyanı İTH 25℃ - 90 95 mA
Əməliyyat cərəyanı GİB CW - 270 320 mA
İş gərginliyi VOP 25℃ - 1.1 2.0 V
Cari monitorinq IMON VRM=5V 50 - 1500 uA
MPD Qaranlıq cərəyan ID VRM=5V - - 50 uA
Termistor müqaviməti RTH 25℃ 9.5 10 10.5
Termistor B-dəyəri β 25℃/80℃ - 3950 - K


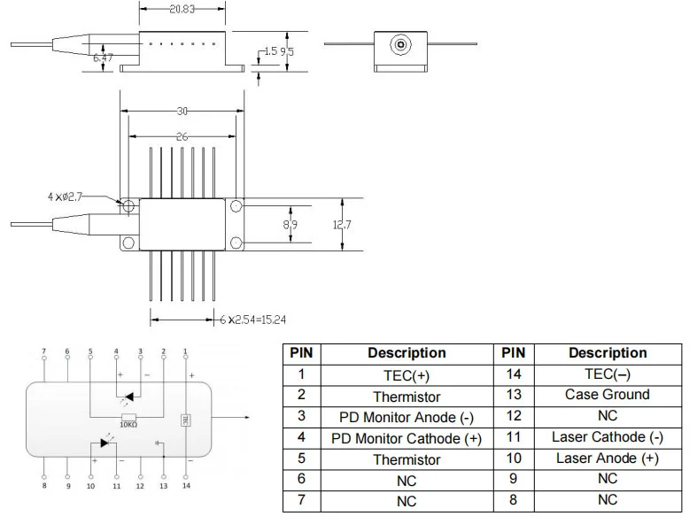
Paket təsviri və PIN-OUT Tərifi (Vahid: mm)

520nm Fp Fiber Coupled Diode Green Btf Laser


Çatdırılma, Çatdırılma və Xidmət

Bütün məhsullar göndərilməzdən əvvəl sınaqdan keçirilmişdir;

Bütün məhsullara 1-3 il zəmanət verilir.(Keyfiyyət zəmanəti müddətindən sonra müvafiq texniki xidmət haqqı tutulmağa başladı.)

Biz işinizi yüksək qiymətləndiririk və ani 7 günlük qaytarma siyasəti təklif edirik. (əşyaların qəbulundan 7 gün sonra);

Əgər mağazamızdan aldığınız məhsullar mükəmməl keyfiyyətə malik deyilsə, yəni onlar istehsalçının spesifikasiyasına uyğun gəlmirsə, sadəcə dəyişdirmək və ya geri qaytarmaq üçün onları bizə qaytarın;

Əşyalar qüsurlu olarsa, çatdırıldıqdan sonra 3 gün ərzində bizə məlumat verin;

Hər hansı əşyalar geri qaytarılma və ya dəyişdirilməyə uyğun gəlmək üçün orijinal vəziyyətində qaytarılmalıdır;

Alıcı çəkdiyi bütün göndərmə xərclərinə cavabdehdir.


520nm Fp Fiber Coupled Diode Green Btf Laser


Tez-tez verilən suallar

S: Hansı pigtail lifləri mövcuddur?

A: SM-460HP və ya PM-S460-HP lifi.


S: Başqa dalğa uzunluğunda FP lazeriniz varmı?

A: Bəli, 488nm/ 520nm/ 532nm/ 660nm/ 850nm/ 1064nm... Ətraflı məlumat üçün bizimlə əlaqə saxlayın.


Qaynar Teqlər: 520nm FP Fiber Coupled Diode Green BTF Lazer, İstehsalçılar, Təchizatçılar, Topdansatış, Zavod, Xüsusi, Toplu, Çin, Çin istehsalı, Ucuz, Aşağı Qiymət, Keyfiyyət

Əlaqədar Kateqoriya

Sorğu göndərin

Sorğunuzu aşağıdakı formada verməkdən çekinmeyin. 24 saat ərzində sizə cavab verəcəyik.
X
Biz sizə daha yaxşı baxış təcrübəsi təklif etmək, sayt trafikini təhlil etmək və məzmunu fərdiləşdirmək üçün kukilərdən istifadə edirik. Bu saytdan istifadə etməklə siz kukilərdən istifadəmizlə razılaşırsınız. Məxfilik Siyasəti
Rədd edin Qəbul edin