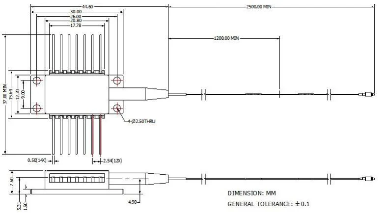
Metan Sensoru CH4 Sensing üçün 1653nm 40mW DFB Lazer Diodu alt daşıyıcıda çip ilə planar konstruksiyadan istifadə edir. Yüksək güclü çip epoksisiz və axını olmayan 14 pinli kəpənək paketində germetik şəkildə bağlanıb və yüksək keyfiyyətli lazer performansını təmin etmək üçün termistor, termoelektrik soyuducu və monitor diodu ilə təchiz olunub. Bizim lazer məhsullarımız Telcordia GR-468 keyfiyyətinə malikdir və RoHS direktivlərinə uyğundur.
Metan Sensoru CH4 Sensing üçün 1653nm 40mW DFB Lazer Diodu alt daşıyıcıda çip ilə planar konstruksiyadan istifadə edir. Yüksək güclü çip epoksisiz və axını olmayan 14 pinli kəpənək paketində germetik şəkildə bağlanıb və yüksək keyfiyyətli lazer performansını təmin etmək üçün termistor, termoelektrik soyuducu və monitor diodu ilə təchiz olunub. Bizim lazer məhsullarımız Telcordia GR-468 keyfiyyətinə malikdir və RoHS direktivlərinə uyğundur.
Sənaye standartı 14 pinli kəpənək paketi;
Daxili TEC və optik izolyator;
Yüksək performanslı, çoxkvant quyusu (MQW) paylanmış əks əlaqə (DFB) lazeri.
Qaz aşkarlanması üçün passiv komponentlərin istehsal sınaqları;
Fiber qaz aşkarlama sistemi;
Lazer mənbələri.
| Parametr | Simvol | Vəziyyət | Min. | Tip. | Maks. | Vahid |
| Mərkəzi dalğa uzunluğu | λc | TL=15~35℃ CW | 1652.7 | 1653.7 | 1654.7 | nm |
| Optik çıxış gücü | Po | CW | - | 40 | - | mVt |
| LD eşik cərəyanı | İTH | CW | - | 15 | 40 | mA |
| LD İrəli cərəyan | Əgər | Pf = Nominal Güc | - | 300 | 400 | mA |
| Optik izolyasiya | - | -10 < TC < +70 ℃ | 30 | - | - | dB |
| Yan rejimdə bastırma nisbəti | SMSR | CW | 35 | 40 | - | dB |
| Məsuliyyətə nəzarət edin | Im /Pf | - | - | 1 | 20 | uA/mW |
| Məsuliyyət sabitliyinə nəzarət edin | - | - | - | - | 20% | - |
| Qaranlıq cərəyanı izləyin | İd | VPD =5V | - | - | 50 | nA |
| TEC Cari | ITEC | Tcase = 75 ℃ | - | - | 2 | A |
| TEC gərginliyi | VTEC | Tcase = 75 ℃ | - | - | 3.5 | V |
| TEC enerji istehlakı | P | Tstg =25 ℃ | - | - | 5 | W |
| Termistor müqaviməti | Rth | Tcase = 75 ℃ | 9.5 | 10 | 10.5 | Kohm |
| Termistor B sabiti | Bth | Tstg =25 ℃ | - | 3900 | - | K |
| Dalğa uzunluğunun sürüşməsi (EOL) | △λ | 25 il müddətində sınaqdan keçirilmişdir | - | - | ±0,1 | nm |
| Dalğa. Temperatur əmsalı | Δλ/ΔT | TEC temperaturu 15 ℃ ilə 35 ℃ arasında | - | 0.09 | - | nm/℃ |
| Dalğa uzunluğu Cərəyan əmsalı | Δλ/ΔΙ | - | - | 0.01 | - | nm/mA |

Bütün məhsullar göndərilməzdən əvvəl sınaqdan keçirilmişdir;
Bütün məhsullara 1-3 il zəmanət verilir.(Keyfiyyətə zəmanət müddətindən sonra müvafiq texniki xidmət haqqı tutulmağa başladı.)
Biz işinizi yüksək qiymətləndiririk və ani 7 günlük qaytarma siyasəti təklif edirik. (əşyaların qəbulundan 7 gün sonra);
Əgər mağazamızdan aldığınız məhsullar mükəmməl keyfiyyətə malik deyilsə, yəni onlar istehsalçının spesifikasiyasına uyğun gəlmirsə, sadəcə dəyişdirmək və ya geri qaytarmaq üçün onları bizə qaytarın;
Əşyalar qüsurlu olarsa, çatdırıldıqdan sonra 3 gün ərzində bizə məlumat verin;
Hər hansı əşyalar geri qaytarılma və ya dəyişdirilməyə uyğun gəlmək üçün orijinal vəziyyətində qaytarılmalıdır;
Alıcı çəkdiyi bütün göndərmə xərclərinə cavabdehdir.
S: Dalğa uzunluğunun dəqiqliyi nədir?
A: +/-0.5nm.
S: Çıxış gücünün başqa versiyaları varmı?
A: 10mW, 15mW, 50mW.
NH3 Sensiyası üçün 1512nm 10mW DFB 14PIN Kəpənək Lazeri
Rütubət H2O Sensiyası üçün 1392nm DFB Kəpənək Lazer Diodu
CH4 aşkarlanması üçün 1653nm DFB Kəpənək Lazer Diodu
CO Sensiyası üçün 1567nm DFB Kəpənək Lazer Diodu
Hidrogen Sulfidin Aşkarlanması üçün 1578nm 10mW DFB Lazer Diodu
CO2 aşkarlanması üçün 1580nm DFB Butterfly Lazer DioduCopyright @ 2020 Shenzhen Box Optronics Technology Co., Ltd. - Çin Fiber Optik Modullar, Fiber Qoşulmuş Lazerlər İstehsalçıları, Lazer Komponentləri Təchizatçıları Bütün Hüquqlar Qorunur.