1550nm 25db soa semiskonduktor optik gücləndirici
  • 1550nm 25db soa semiskonduktor optik gücləndirici 1550nm 25db soa semiskonduktor optik gücləndirici
  • 1550nm 25db soa semiskonduktor optik gücləndirici 1550nm 25db soa semiskonduktor optik gücləndirici
  • 1550nm 25db soa semiskonduktor optik gücləndirici 1550nm 25db soa semiskonduktor optik gücləndirici
  • 1550nm 25db soa semiskonduktor optik gücləndirici 1550nm 25db soa semiskonduktor optik gücləndirici

1550nm 25db soa semiskonduktor optik gücləndirici

1550NM 25DB SOA SOA SOA SOSICUTCOR OPTICAL AMPLIFIER məhsul seriyası, ilk növbədə optik siqnal gücləndirilməsi üçün istifadə olunur və çıxış optik gücünü əhəmiyyətli dərəcədə artıra bilər. Məhsullar yüksək qazanc, aşağı güc verir İstehlak və qütbləşmə istismarı, digər xüsusiyyətlər arasında və yerli idarəetmə texnologiyası ilə tam işlənə bilər.

Sorğu göndərin

Məhsul təsviri

1550NM 25DB SOA SOA SOA SOSICUTCOR OPTICAL AMPLIFIER məhsul seriyası, ilk növbədə optik siqnal gücləndirilməsi üçün istifadə olunur və çıxış optik gücünü əhəmiyyətli dərəcədə artıra bilər. Məhsullar yüksək qazanc, aşağı enerji istehlakı və qütbləşmə istismarı, digər xüsusiyyətlər arasında və yerli idarəetmə texnologiyası ilə tam işlənə bilər.


Xüsusiyyət

● 40g və 100 qr c-band blokinq çekim və ya modulyasiyanı;
● 14pin kəpənək paketi;
● Aşağı səs-küyün və aşağı qütbləşmə asılılığı;
● PM1550 FC / APC bağlayıcısı olan lif.
● etibarlılıq: Telcordia GR-468. Rohs


Tətbiqi

● Fiber optik əlaqə və keçid üçün zərər kompensasiyası
● WDM Fiber optik şəbəkələri;
● Mopa (Master Oscilator Güc Gücləndiricisi) Lazer;


Elektro-optik xüsusiyyətlər (t = 25 ℃)

Parametr Rəmzi Şərt Min. Tip. Maks. Vahidi
İşləyən dalğa uzunluğu lpeak 25 ℃, pin = 0dbm - 1550 - nm
ASE Mərkəzi dalğa uzunluğu buraxmaq 25 ℃, əgər = 1000ma - 1490 - nm
-3db bant genişliyi Δl Pin =10dbm, əgər = 1000ma - 100 - nm
Doyma optik gücü Pmax Əgər = 1000ma,
PIN = 5DBM @ 1550nm
- 23 - dbm
Kiçik siqnal qazanc Ssg Əgər = 1000ma,
Pin = -25dbm @ 1550nm
30 35 - db
Əməliyyat cərəyanı Kef - - 1000 1200 ma
İrəli gərginlik Vf - - 2.4 2.6 V
Səs-küyçü Nf 25 ℃, əgər = 1000ma, @ 1550nm - 6 8 db
Söndürmə rasionu Var Əgər = 1000ma / əgər = 0MA,
Pin = 0dbm
- 35 - db
Tec cərəyan lta - - - 1.8 A
Tec gərginlik Vtec - - 400 3.4 V
Termistor Rafi Rtherm T = 25 ℃ 9.5 10 10.5 Ω
Termistor cərəyanı lferm - -2 -2 - 5 ma
Ümumi güc P - - - 4 w
Əməliyyat qutusu istiliyi Üst İ = əgər -10 - 70
Saxlama temperaturu Ts - -40 - 85


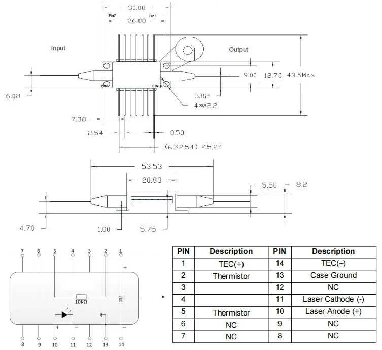
Paket rəsm və pin-out tərifi (vahid: mm):

1550nm 25db Soa Semiconductor Optical Amplifier


Tipik xarakterik əyri

1550nm 25db Soa Semiconductor Optical Amplifier

1550nm 25db Soa Semiconductor Optical Amplifier


Çatdırın, göndərmə və xidmət

Bütün məhsullar göndərilmədən əvvəl sınaqdan keçirilmişdir;

Bütün məhsulların 1 il zəmanəti var. (Keyfiyyət zəmanət müddəti sonra müvafiq texniki xidmət haqqı ödəniş almağa başladı.)

İşinizi yüksək qiymətləndiririk və dərhal 7 gün geri dönüş siyasətini təklif edirik. (Maddələri aldıqdan 7 gün sonra);

Mağazamızdan satın aldığınız əşyalar mükəmməl keyfiyyətli deyilsə, bu, istehsalçıların xüsusiyyətlərinə elektron şəkildə işləmir, sadəcə dəyişdirmə və ya geri qaytarmaq üçün onları bizə qaytarmaq;

Əşyalar qüsurlu olarsa, 3 gün ərzində 3 gün ərzində bizə məlumat verin;

Hər hansı bir əşyanın geri qaytarılması və ya dəyişdirilməsi üçün uyğun olmaq üçün orijinal vəziyyətində geri qaytarılmalıdır;

Alıcı, çəkilən bütün göndərmə dəyəri üçün məsuliyyət daşıyır.


1550nm 25db Soa Semiconductor Optical Amplifier


Faq

S: Lazım olan dalğa uzunluğu nədir?

C: 1550nm 1310nm 1270nm 1060nm SOA lazer diodumuz var.


S: Çıxış gücünə olan tələb nədir?

A: Qutu optronikası tələblərinizə görə düzəldə bilər.


Qaynar Teqlər: 1550nm 25db 25db soa yarımkeçirici optik gücləndirici, istehsalçılar, təchizatçılar, topdansatış, fabrik, xüsusi, toplu, Çin, Çin, ucuz, aşağı qiymət, keyfiyyət

Əlaqədar Kateqoriya

Sorğu göndərin

Sorğunuzu aşağıdakı formada verməkdən çekinmeyin. 24 saat ərzində sizə cavab verəcəyik.
X
Biz sizə daha yaxşı baxış təcrübəsi təklif etmək, sayt trafikini təhlil etmək və məzmunu fərdiləşdirmək üçün kukilərdən istifadə edirik. Bu saytdan istifadə etməklə siz kukilərdən istifadəmizlə razılaşırsınız. Məxfilik Siyasəti
Rədd edin Qəbul edin